Cerradura automática de emergencia Vachette Emergencia D466
Desde: 184,57 € + iva
Ref. N/D
Categorías: Cerraduras para puertas batientes de madera, Cerrajería y seguridad, El mundo de las puertas y ventanas
Marca: VACHETTE
Descripción
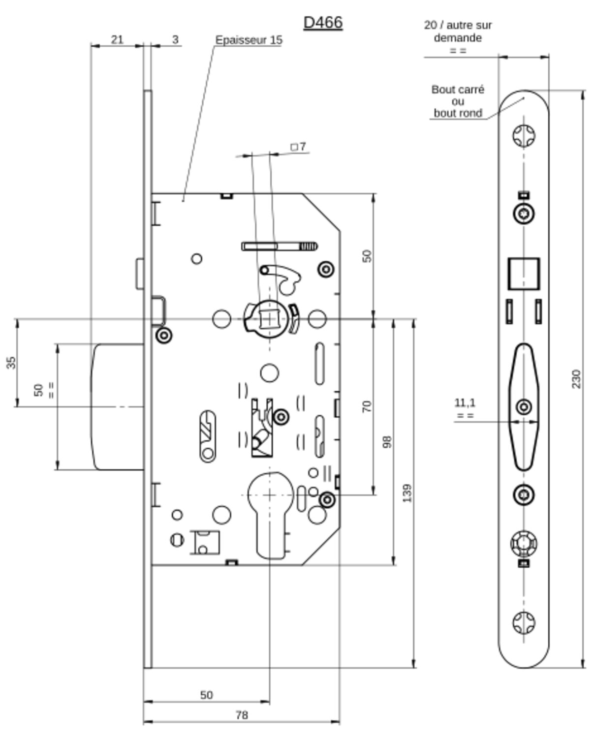
Cerradura de pestillo simple para uso con manilla exterior o control de acceso autónomo con escuadra pasante.Exterior: retracción del cerrojo mediante llave o manilla de palanca para control de acceso.Interior: salida siempre libre accionada por palanca o llave. Cerrojo reversible y lado de emergencia.Mortaja de la hoja idéntica a la de la gama D450.
Compra rápida
| Imagen | Ref. | Acabado de la cabeza. | Tipo de delantero | Precio | Stock | Comprar |
|---|





