El sitio está reservado para profesionales
  • 345098-a1
  • 345098-a2
  • 345098-a3

BOTELLA MEZCLADORA DE 100 L

624,87  + iva

Sin existencias

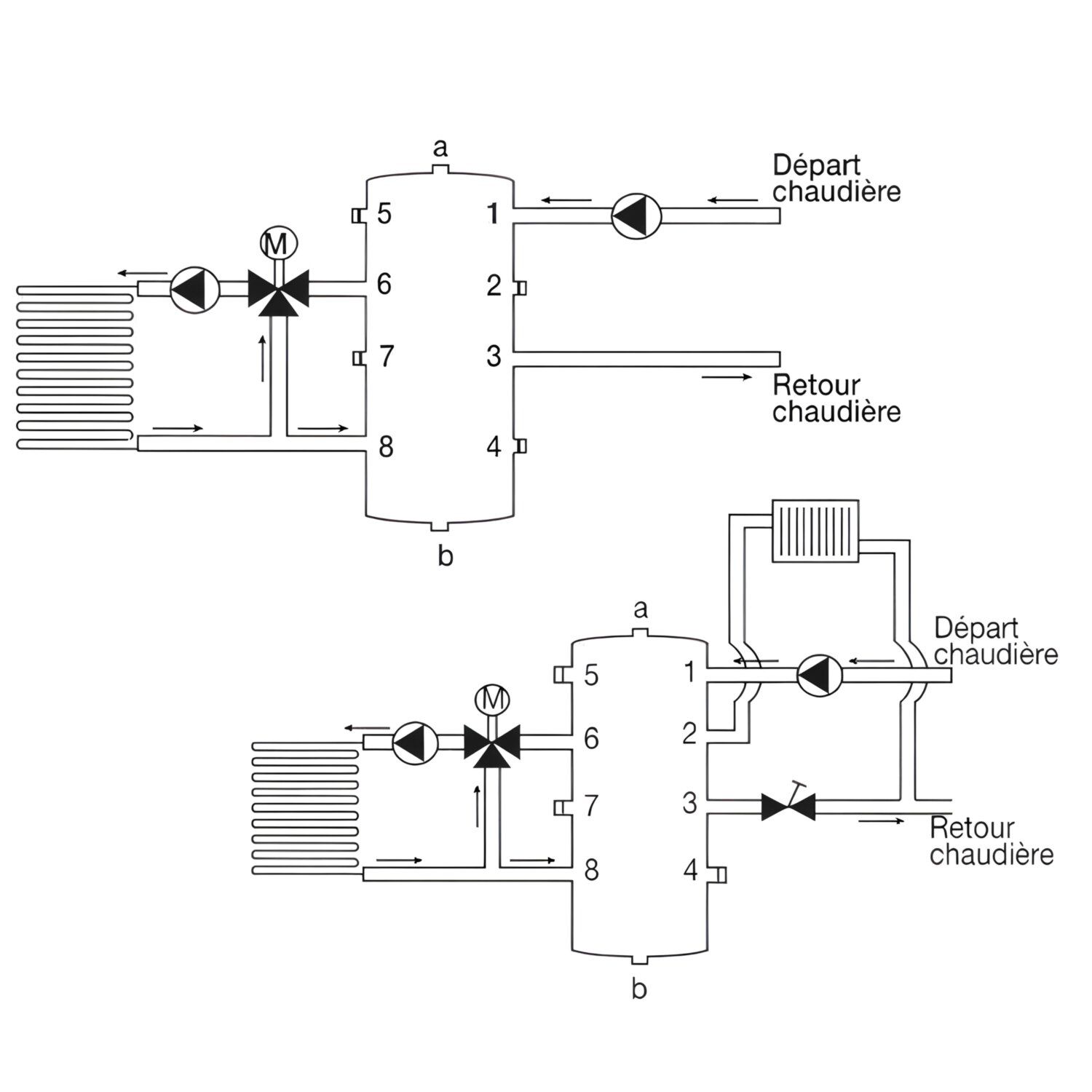
Descripción

Diseñados para sistemas de calefacción y refrigeración, los cilindros mezcladores BMEL pueden instalarse en la pared o en el suelo, en función de su capacidad. Están equipados con 2 a 4 conexiones en cada lado, así como una conexión superior para la ventilación y una conexión inferior para la purga de impurezas y el drenaje. – Funda de polipiel azul.- 4 conexiones en cada lado.- 3 conexiones para termómetro o aquastat.- 1 conexión para resistencia.- Aislamiento de poliuretano expandido de 30 mm.- Presión máxima: 6 bar.- Temperatura: -10°/+110°C